Flamingo Automotive
SMART FORTWO ELECTRIC DRIVE W451 ED2 (2009-2012) SERVICE WORKSHOP MANUAL
SMART FORTWO ELECTRIC DRIVE W451 ED2 (2009-2012) SERVICE WORKSHOP MANUAL
Couldn't load pickup availability
SMART FORTWO ELECTRIC DRIVE W451 ED2 (2009-2012) SERVICE WORKSHOP MANUAL IN PDF FORMAT (1703 PAGES) SUPPLIED AS DOWNLOADABLE LINK.
Comprehensive workshop manual for both technicians and DIY mechanic. This manual will help you restore and maintain your SMART just like professional mechanic. Very easy step by step instructions with lots of diagrams and high resolution photos. Covers all aspects of the Smart from engine to suspension, wheels, fuel supply, electrical and trouble shooting tips.
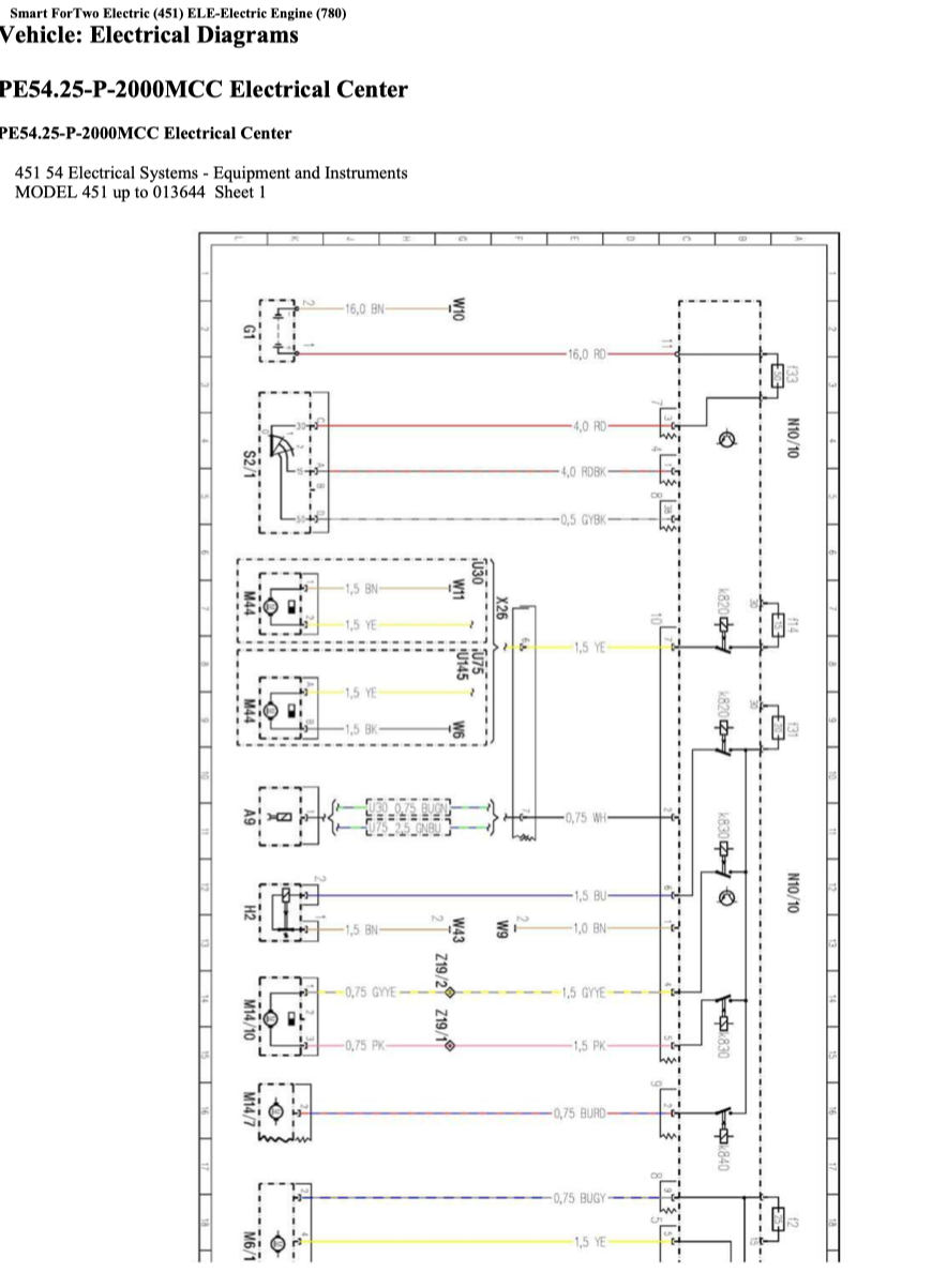
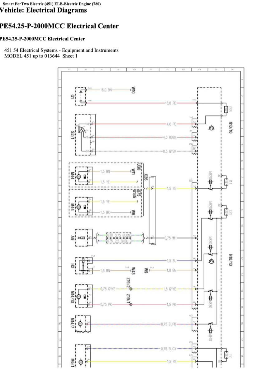
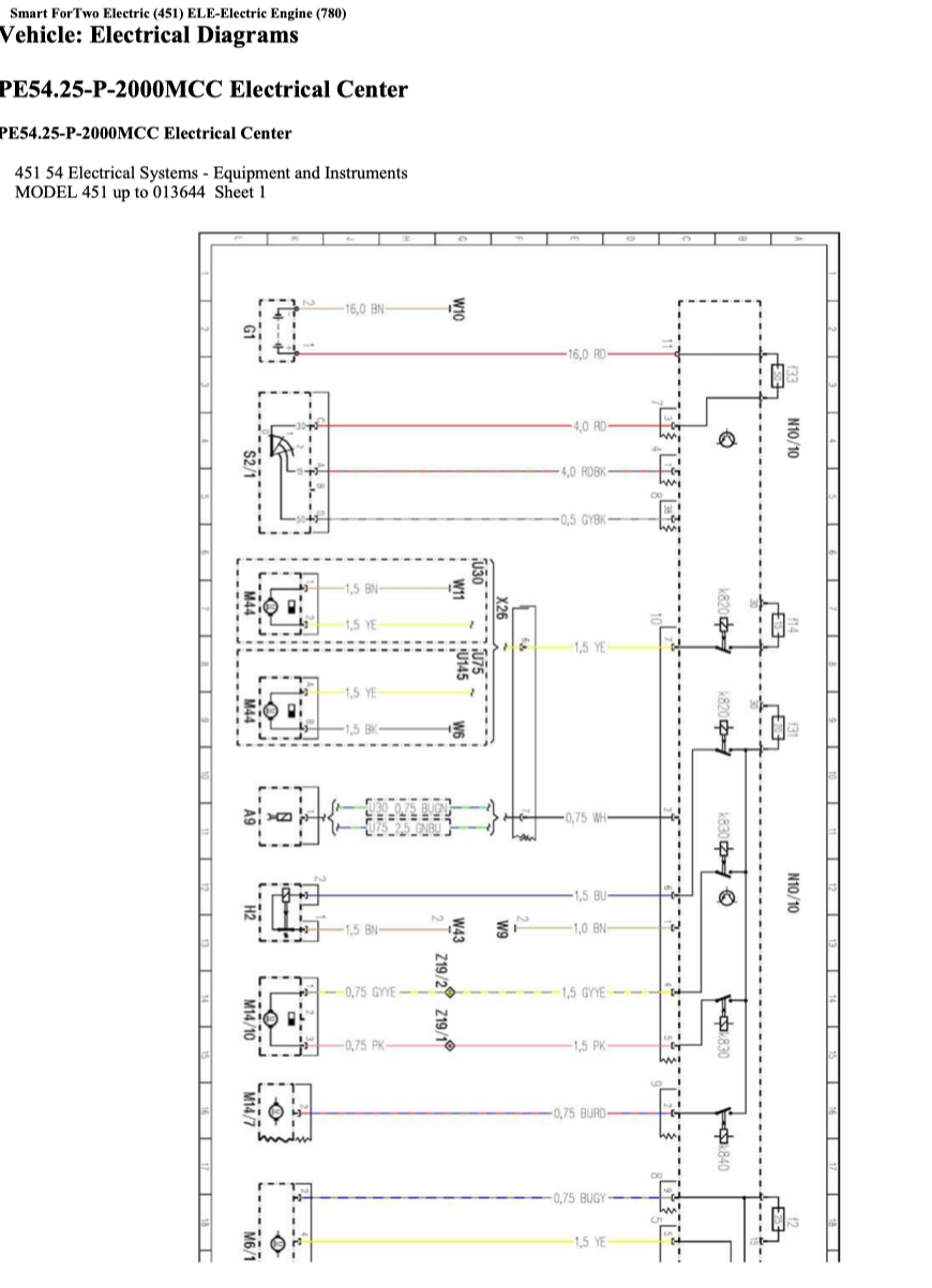
CONTENTS: SEE PICTURE
POWERTRAIN
MOTOR 780:
Power: 20 kW (27 hp) continuous; peak power output of 30 kW (40 hp)
Torque: 120 newton-metres (89 lbf⋅ft)
Battery capacity: 16.5 kWh lithium-ion battery
Economy: 12 kWh/100 km, also reported to be 200 W·h/mi
Range: 135 kilometres (84 miles) on the (NEDC cycle)
Top speed: 100 kilometres per hour (62 miles per hour)
Share











