Flamingo Automotive
SATRIA NEO PROTON SATRIA NEO (2006-2015) SERVICE WORKSHOP MANUAL
SATRIA NEO PROTON SATRIA NEO (2006-2015) SERVICE WORKSHOP MANUAL
Couldn't load pickup availability
PROTON SATRIA NEO (2006-2015) FACTORY SERVICE WORKSHOP MANUAL IN PDF FORMAT (2342 PAGES) SUPPLIED BY DOWNLOADABLE LINK.
ENGINES:
S4PE 1.3L
S4PH 1.6L
S4PH - CPS 1.6L SUPPLEMENT
TRANSMISSION:
4-speed automatic
5-speed manual
WHAT'S INSIDE ?
Detailed sub-steps expand on repair procedure information
Notes, cautions and warnings throughout each chapter pinpoint critical information.
Numbered instructions guide you through every repair procedure step by step.
Bold figure number help you quickly match illustrations with instructions.
Detailed illustrations, drawings and photos guide you through every procedure.
Enlarged inset helps you identify and examine parts in detail.
Numbered table of contents easy to use so that you can find the information you need fast.
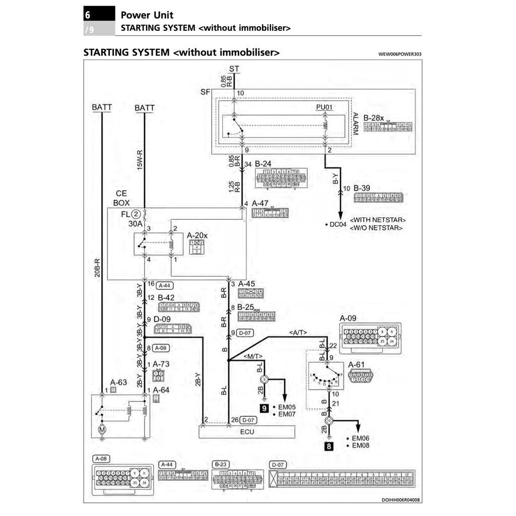
This manual also makes it easy to diagnose and repair problems with your machines electrical system.
Troubleshooting and electrical service procedures are combined with detailed wiring diagram for ease of use.
Share








