1
/
of
9
Flamingo Automotive
PROTON CAMPRO S4P 1.3L 1.6L ENGINE WORKSHOP MANUAL + ELECTRICAL WIRING + ECU DIAGRAMS
PROTON CAMPRO S4P 1.3L 1.6L ENGINE WORKSHOP MANUAL + ELECTRICAL WIRING + ECU DIAGRAMS
Regular price
$8.00 USD
Regular price
Sale price
$8.00 USD
Unit price
/
per
Couldn't load pickup availability
PROTON CAMPRO S4P 1.3L 1.6L FACTORY ENGINE WORKSHOP MANUAL + WIRING + CIRCUITS DIAGRAMS IN PDF FORMAT (~285 PAGES) SUPPLIED AS DOWNLOADABLE LINK
APPLICATIONS: Proton Gen-2, Proton Satria Neo, Proton Waja Campro, Proton Persona, Proton Saga, Proton Exora, Proton Preve, Proton Suprima S
ENGINE CODES:
S4PE 1332 cm3 (81.278 cu.in)
S4PH 1597 cm3 (97.448 cu.in)
AREA COVERED:
- Charging
- Cooling
- Emission Control
- Engine Control system
- Engine Mechanical
- Exhaust
- Fuel system
- Ignition
- Lubrication
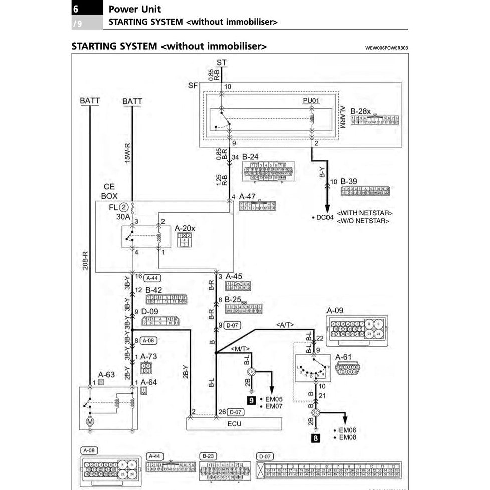
- Starting
Share








