1
/
of
11
Flamingo Automotive
KIA STINGER CK (2018-2023) SERVICE WORKSHOP MANUAL
KIA STINGER CK (2018-2023) SERVICE WORKSHOP MANUAL
Regular price
$10.00 USD
Regular price
Sale price
$10.00 USD
Unit price
/
per
Couldn't load pickup availability
KIA STINGER CK (2018-2023) SERVICE WORKSHOP MANUAL IN PDF FORMAT (~3000 PAGES) AVAILABLE AS DOWNLOADABLE LINK.
FACTORY WORKSHOP MANUAL RIDDLED WITH HIGH RESOLUTION PICTURES AND EXPLODED DIAGRAMS.
CONTENTS:
1. GENERAL INFORMATION
2. ENGINE + SYSTEMS (3.3L Lambda II T-GDI V6)
3. TRANSMISSION (AT)
4. RUNNING GEARS (AWD)
5. BODYWORK
6. ELECTRICAL SYSTEM
7. RESTRAINTS- SRS
8. HVAC
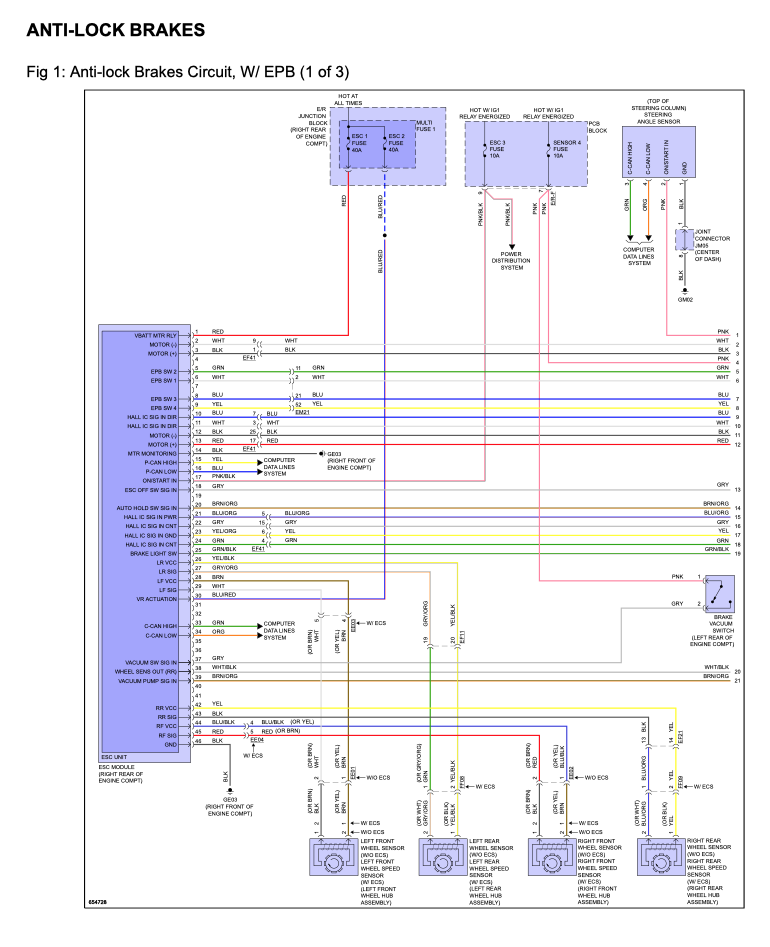
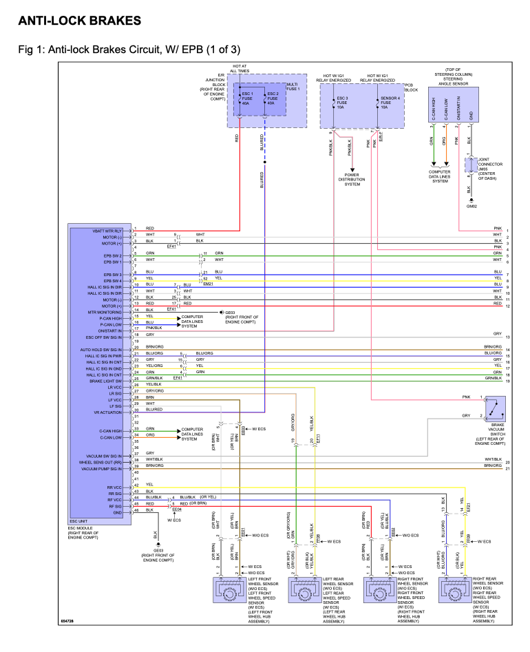
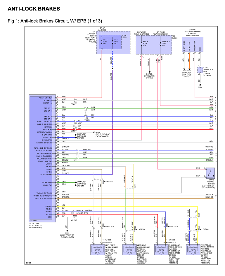
9. ELECTRICAL WIRING DIAGRAMS
ENGINE FEATURED IN THIS MANUAL: 3.3 L Lambda II T-GDi V6 (ONLY)
REFERENCE POWERTRAIN:
Engine
Gasoline:
2.0 L Theta II T-GDi I4
2.5 L Smartstream FR G2.5 T-GDi I4
3.3 L Lambda II T-GDi V6
Diesel:
2.2 L R II CRDi I4
Transmission: 8-speed A8LR1/A8TR1 automatic
Share










