Flamingo Automotive
KAWASAKI Z250 (2013-2015) SERVICE WORKSHOP MANUAL + PARTS CATALOGUE + OWNER'S MANUAL
KAWASAKI Z250 (2013-2015) SERVICE WORKSHOP MANUAL + PARTS CATALOGUE + OWNER'S MANUAL
Couldn't load pickup availability
KAWASAKI Z250 CD/CN/DF (2013-2015) SERVICE WORKSHOP MANUAL + PARTS CATALOGUE + OWNER'S MANUAL IN PDF FORMAT (835 PAGES). THIS DIGITISED MANUAL IS SUPPLIED AS DOWNLOADABLE LINK.
This is a comprehensive workshop manual for both technicians and DIY bike mechanic. This manual will help you restore, repair and maintain your KAWASAKI just like professional mechanic. Very easy step by step instructions with hundreds of diagrams and schematics. Covers all aspects of the bike from engine to suspension, wheels, fuel supply, electrical and trouble shooting tips. If you can fix a Matchbox, with this manual you can fix your Kawasaki A to Z.
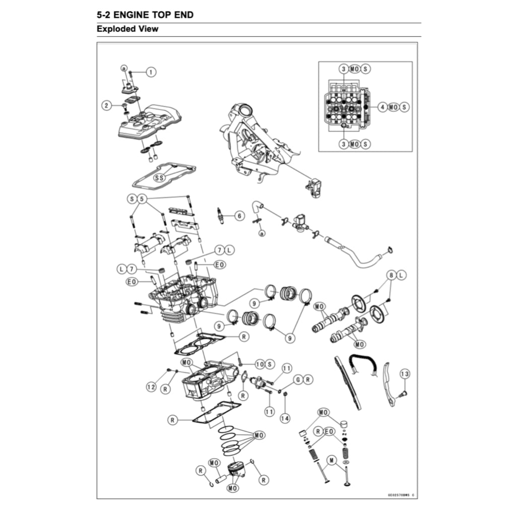
CONTENTS: SEE PICTURE
Flamingo Automotive Reference______________
Share










