1
/
of
9
Flamingo Automotive
KAWASAKI NINJA 250R (2008-2012) SERVICE WORKSHOP MANUAL + PARTS CATALOGUE + OWNER'S MANUAL
KAWASAKI NINJA 250R (2008-2012) SERVICE WORKSHOP MANUAL + PARTS CATALOGUE + OWNER'S MANUAL
Regular price
$9.00 USD
Regular price
Sale price
$9.00 USD
Unit price
/
per
Couldn't load pickup availability
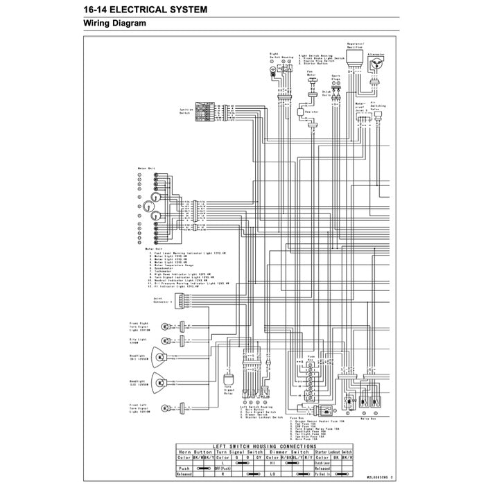
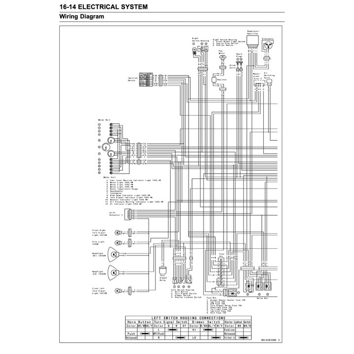
KAWASAKI NINJA 250R (2008-2012) SERVICE WORKSHOP MANUAL + PARTS CATALOGUE + OWNER'S MANUAL IN PDF FORMAT (1229 PAGES). THIS DIGITISED MANUAL IS SUPPLIED AS DOWNLOADABLE LINK
This manual include both injection (DFI) and carburetor models
This is a comprehensive workshop manual for both technicians and DIY bike mechanic. This manual will help you restore, repair and maintain your KAWASAKI just like professional mechanic. Very easy step by step instructions with hundreds of diagrams and schematics. Covers all aspects of the bike from engine to suspension, wheels, fuel supply, electrical and trouble shooting tips. If you can fix a Matchbox, with this manual you can fix your Kawasaki A to Z
Share
