1
/
of
8
Flamingo Automotive
KAWASAKI KLX230 A/B/C/D (2021+) SERVICE WORKSHOP MANUAL
KAWASAKI KLX230 A/B/C/D (2021+) SERVICE WORKSHOP MANUAL
Regular price
$9.00 USD
Regular price
Sale price
$9.00 USD
Unit price
/
per
Couldn't load pickup availability
KAWASAKI KLX230 A/B/C/D (2021+) SERVICE WORKSHOP MANUAL IN PDF FORMAT (589 PAGES). THIS DIGITISED MANUAL IS SUPPLIED AS DOWNLOADABLE LINK
This is a comprehensive workshop manual for both technicians and DIY bike mechanic. This manual will help you restore, repair and maintain your KAWASAKI just like professional mechanic. Very easy step by step instructions with hundreds of diagrams and schematics. Covers all aspects of the bike from engine to suspension, wheels, fuel supply, electrical and trouble shooting tips. If you can fix a Matchbox, with this manual you can fix your Kawasaki A to Z.
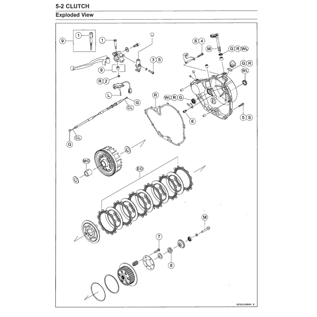
CONTENTS: SEE PICTURE
Share







