Flamingo Automotive
HONDA CB500X/XA (2019-2023) SERVICE WORKSHOP MANUAL + PARTS CATALOGUE+ OWNER'S MANUAL
HONDA CB500X/XA (2019-2023) SERVICE WORKSHOP MANUAL + PARTS CATALOGUE+ OWNER'S MANUAL
Couldn't load pickup availability
HONDA CB500X/XA (2019-2023) SERVICE WORKSHOP MANUAL + PARTS CATALOGUE+ OWNER'S MANUAL IN PDF FORMAT (1050 PAGES). THIS DIGITISED MANUAL IS SUPPLIED AS DOWNLOADABLE LINK.
This is a comprehensive workshop manual for both technicians and DIY bike mechanic. This manual will help you restore, repair and maintain your HONDA CBR just like professional mechanic. Very easy step by step instructions with hundreds of diagrams and schematics. Covers all aspects of the bike from engine to suspension, wheels, fuel supply, electrical and trouble shooting tips. If you can fix a Matchbox, with this manual you can fix your HONDA CB500X A to Z.
CONTENT:
- General information
- Technical features
- Frame/Body/Exhaust
- Maintenance
- Lubrication system
- Fuel System
-Cooling System
- Engine Removal/Installation
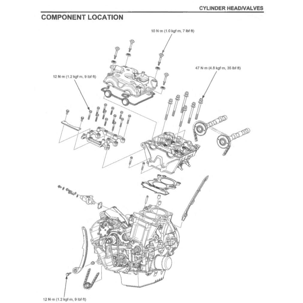
- Cylinder Head /Valves
- Clutch/ Gearshift linkage
- Alternator
- Crankcase/Transmission/Balancer
- Crankshaft/Piston/Cylinder
- Front Wheel Suspension/ Steering
- Rear Wheel/ Suspension
- Rear Hydraulic Suspension
- Hydraulic Brake
- Battery Charging System
- Ignition System
- Electric Starter
- Lights/Meters/Switches
- Wiring Diagram
- Troubleshooting
- Index
Flamingo Automotive Reference_________________________________
Share








