1
/
of
9
Flamingo Automotive
GEELY BOYUE / ATLAS NL-3 (2016-2020) SERVICE WORKSHOP MANUAL + PARTS CATALOGUE
GEELY BOYUE / ATLAS NL-3 (2016-2020) SERVICE WORKSHOP MANUAL + PARTS CATALOGUE
Regular price
$10.00 USD
Regular price
Sale price
$10.00 USD
Unit price
/
per
Couldn't load pickup availability
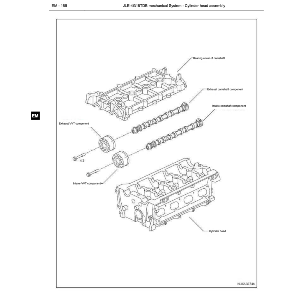
GEELY ATLAS NL-3 (2016-2020) SERVICE WORKSHOP MANUAL+ PARTS CATALOGUE IN PDF FORMAT (4654 PAGES) SUPPLIED AS DOWNLOADABLE LINK.
POWERTRAIN
Engine
Petrol:
1.5 L 3G15TDB G-Power turboI3
1.8 L 4G18TDB G-Power turbo I4
2.0 L 4G20 I4
2.4 L JLD-4G24 I4
Transmission
6-speed manual
6-speed automatic
7-speed dual-clutch
Share








