1
/
of
10
Flamingo Automotive
DOMINAR 400 DM400 UG (2023+) SERVICE WORKSHOP MANUAL + PARTS CATALOGUE + OWNER'S MANUAL
DOMINAR 400 DM400 UG (2023+) SERVICE WORKSHOP MANUAL + PARTS CATALOGUE + OWNER'S MANUAL
Regular price
$9.00 USD
Regular price
Sale price
$9.00 USD
Unit price
/
per
Couldn't load pickup availability
DOMINAR 400 DM400 UG (2023+) SERVICE WORKSHOP MANUAL + PARTS CATALOGUE + OWNER'S MANUAL IN PDF FORMAT (338 PAGES). THIS DIGITISED MANUAL IS AVAILABLE AS DOWNLOADABLE LINK.
This is a comprehensive workshop manual for both technicians and DIY bike mechanic. This manual will help you restore, repair and maintain your DOMINAR just like professional mechanic. Very easy step by step instructions with hundreds of diagrams and schematics. Covers all aspects of the bike from engine to suspension, wheels, fuel supply, electrical and trouble shooting tips. If you can fix a Matchbox, with this manual you can fix your DOMINAR A to Z
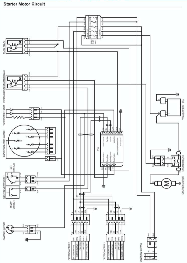
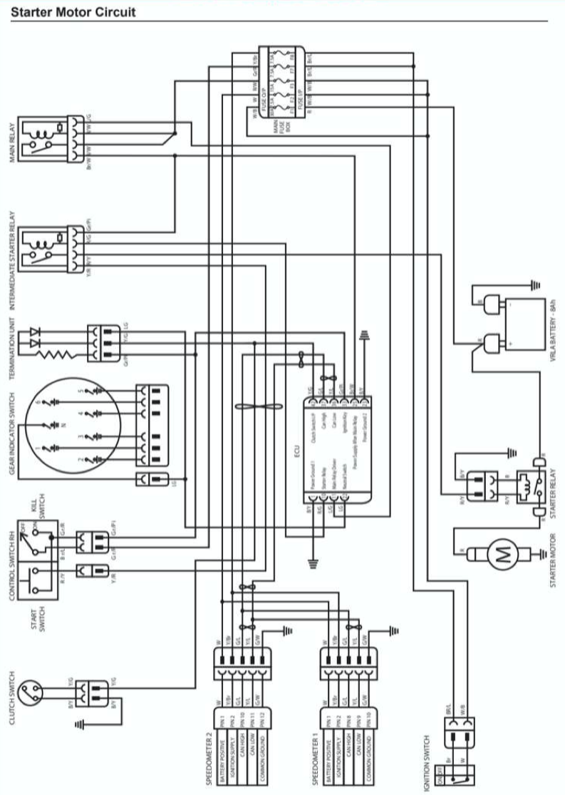
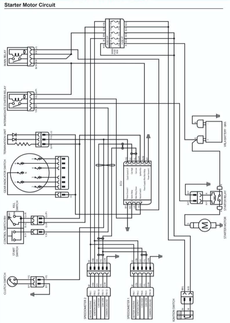
CONTENT: SEE PICTURE
Flamingo Automotive Reference_________________
Share









