Flamingo Automotive
CFMOTO 675NK (2025+) SERVICE WORKSHOP MANUAL + PARTS CATALOGUE + OWNER'S MANUAL
CFMOTO 675NK (2025+) SERVICE WORKSHOP MANUAL + PARTS CATALOGUE + OWNER'S MANUAL
Couldn't load pickup availability
CFMOTO 675NK CF650-11 (2025+) SERVICE WORKSHOP MANUAL + PARTS CATALOGUE + OWNER'S MANUAL IN PDF FORMAT (682 PAGES). THIS DIGITISED MANUAL IS AVAILABLE AS DOWNLOADABLE LINK.
This is a comprehensive workshop manual for both technicians and DIY bike mechanic. This manual will help you restore, repair and maintain your CFMOTO just like professional mechanic. Very easy step by step instructions with hundreds of diagrams and schematics. Covers all aspects of the bike from engine to suspension, wheels, fuel supply, electrical and trouble shooting tips. If you can fix a Matchbox, with this manual you can fix your CFMOTO A to Z.
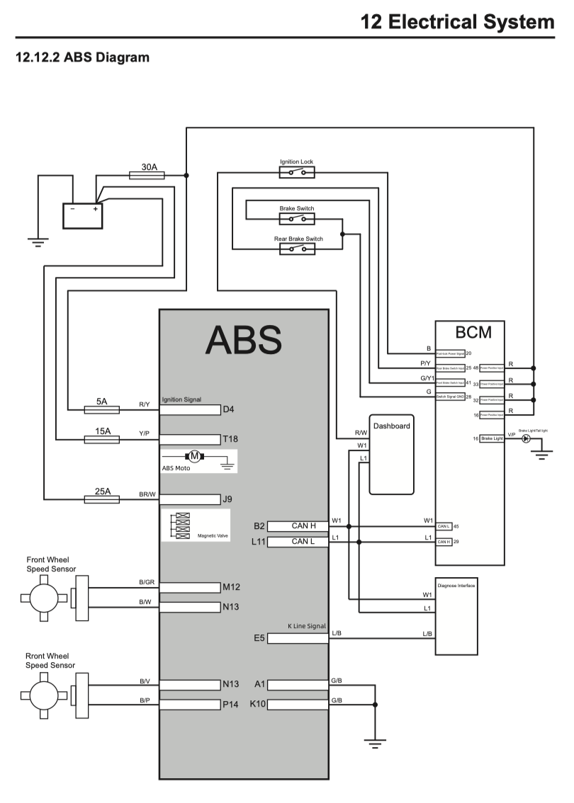
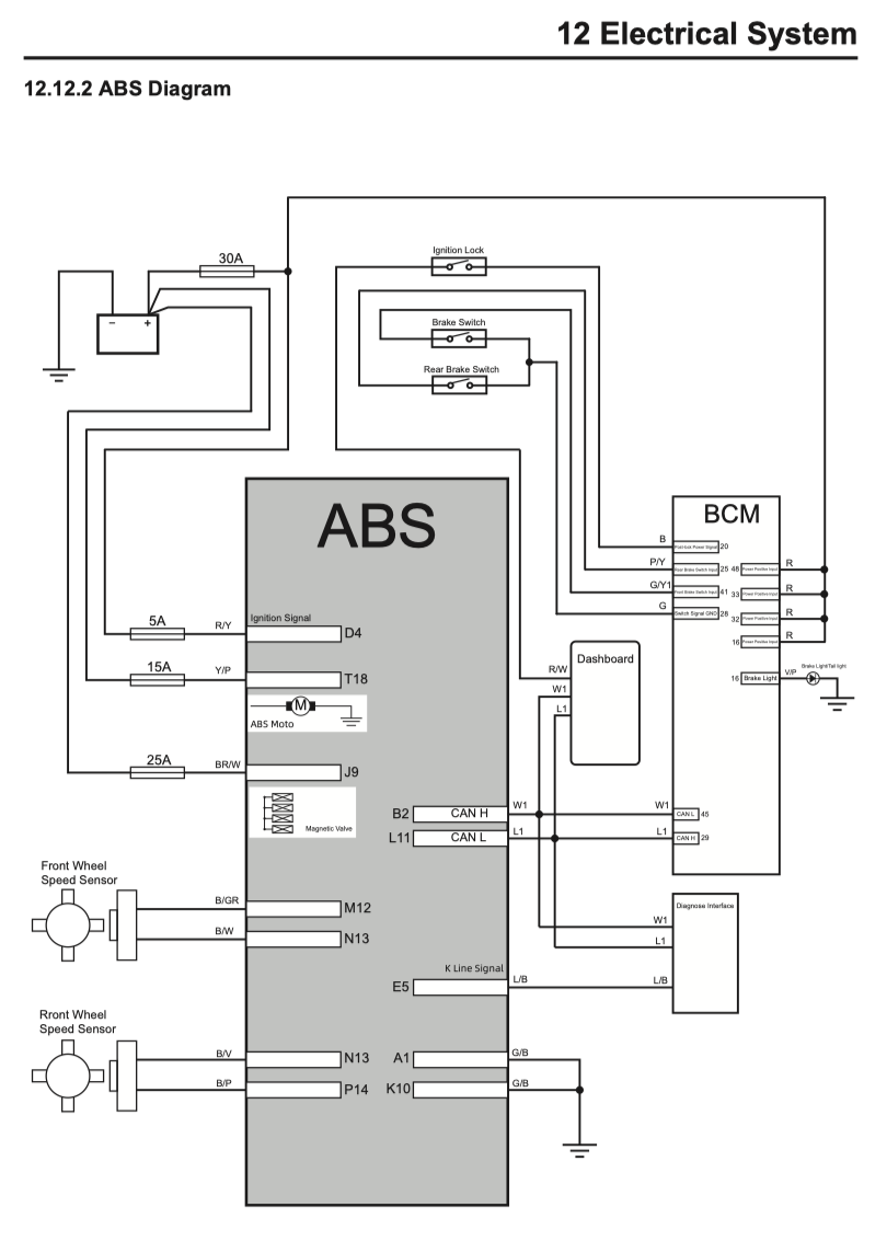
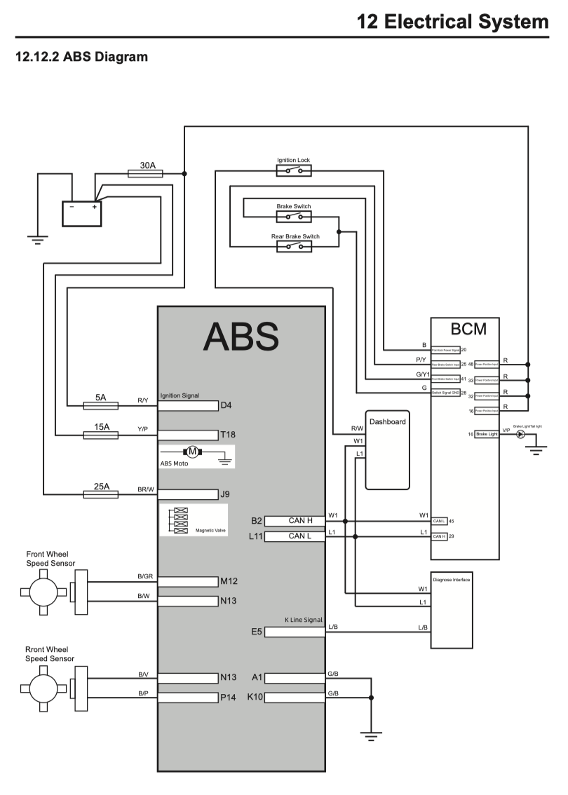
CONTENTS: SEE PICTURE
Flamingo Automotive Reference______________________
Share









