Flamingo Automotive
BMW X3 E83 (2003-2010) SERVICE WORKSHOP MANUAL
BMW X3 E83 (2003-2010) SERVICE WORKSHOP MANUAL
Couldn't load pickup availability
FACTORY WORKSHOP REPAIR SERVICE MANUAL FOR BMW X3 E83 2003-2010 IN PDF FORMAT (5818 PAGES) AVAILABLE AS DOWNLOADABLE LINK.
POWERTRAIN:
Engine: M54 engine: 2.5i, 3.0i (2004-2006); N52 engine: 3.0si, xDrive 30i (2007-2010)
Transmission: Manual: ZF GS6-37BZ (6-speed); Automatic: GM A5S390R (5-speed); Automatic: GM GA6L45R (6-speed)
WHAT'S INSIDE ?
- Maintenance procedures from changing the xDrive fluids to replacing the cabin microfilter.
- Manual and automatic transmission fluid service, front and rear differential service, including xDrive transfer case troubleshooting.
- Step-by-step variable camshaft timing (VANOS) service.
- Cylinder head cover gasket and crankshaft seal replacement.
- Cooling system, thermostat and radiator service, including system bleeding using the electric coolant pump on N52 engines.
- Fuel injection and ignition system diagrams and explanations.
Information on advanced technical features such as VANOS, Valvetronic, xDrive, and DSC (dynamic stability control).
- Suspension repair procedures.
- Brakes, steering and ABS troubleshooting and repair.
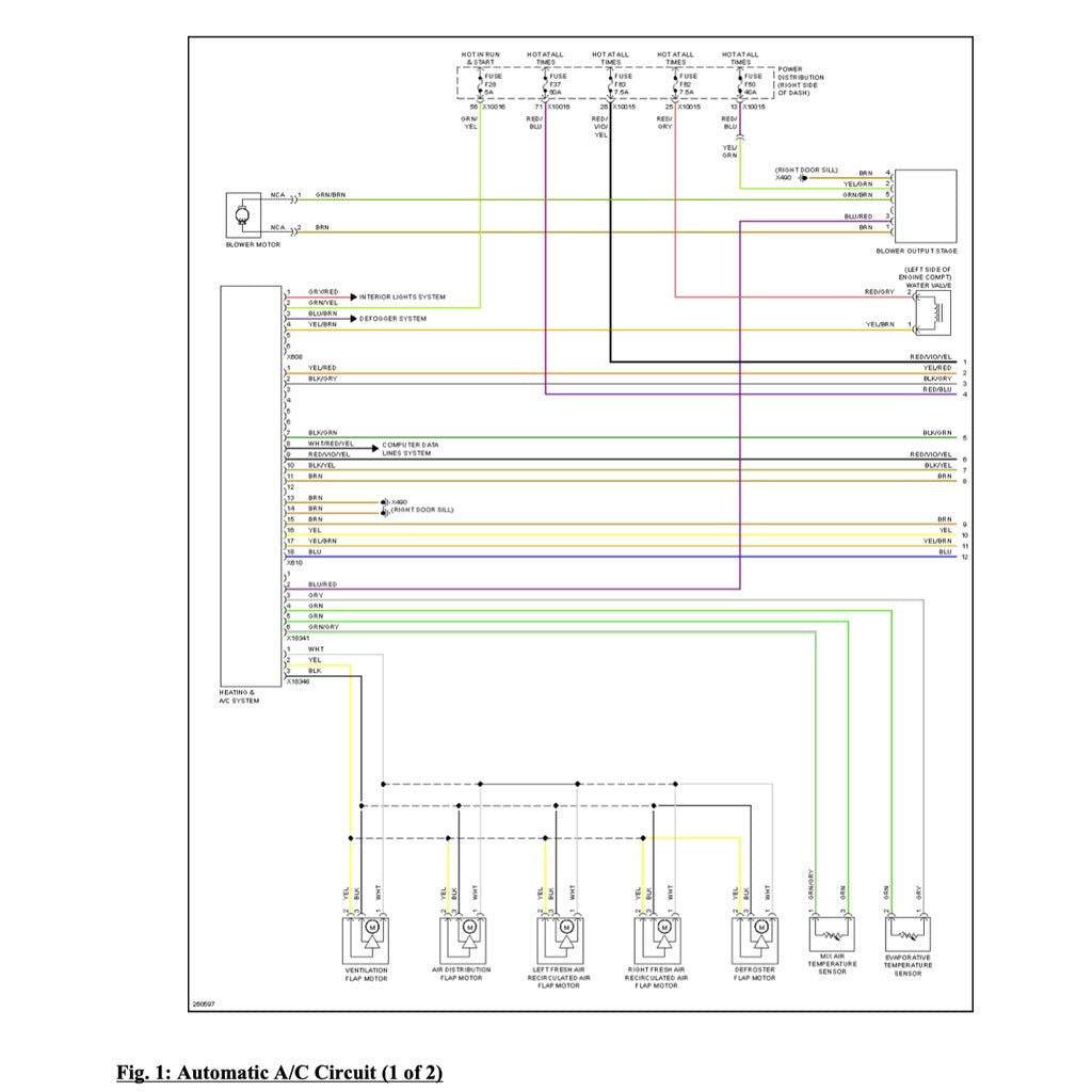
- Heating and air-conditioning repair, including A/C component replacement.
- Body and hood repairs and adjustments.
- Electrical system service, with an easy-to-use illustrated component locator section.
- Comprehensive wiring schematics, including fuses and grounds.
- BMW OBD II diagnostic trouble codes, SAE-defined OBD II P-codes, as well as basic scan tool operation.
- BMW factory tolerances, wear limits, adjustments and tightening torques.
Share








