Flamingo Automotive
KAWASAKI VULCAN 1500 VN1500 (1988-2008) SERVICE WORKSHOP MANUAL
KAWASAKI VULCAN 1500 VN1500 (1988-2008) SERVICE WORKSHOP MANUAL
Couldn't load pickup availability
KAWASAKI VULCAN 1500 VN1500 (1988-2008) SERVICE WORKSHOP MANUAL IN PDF FORMAT (1742 PAGES). THIS DIGITISED MANUAL IS SUPPLIED AS DOWNLOADABLE LINK
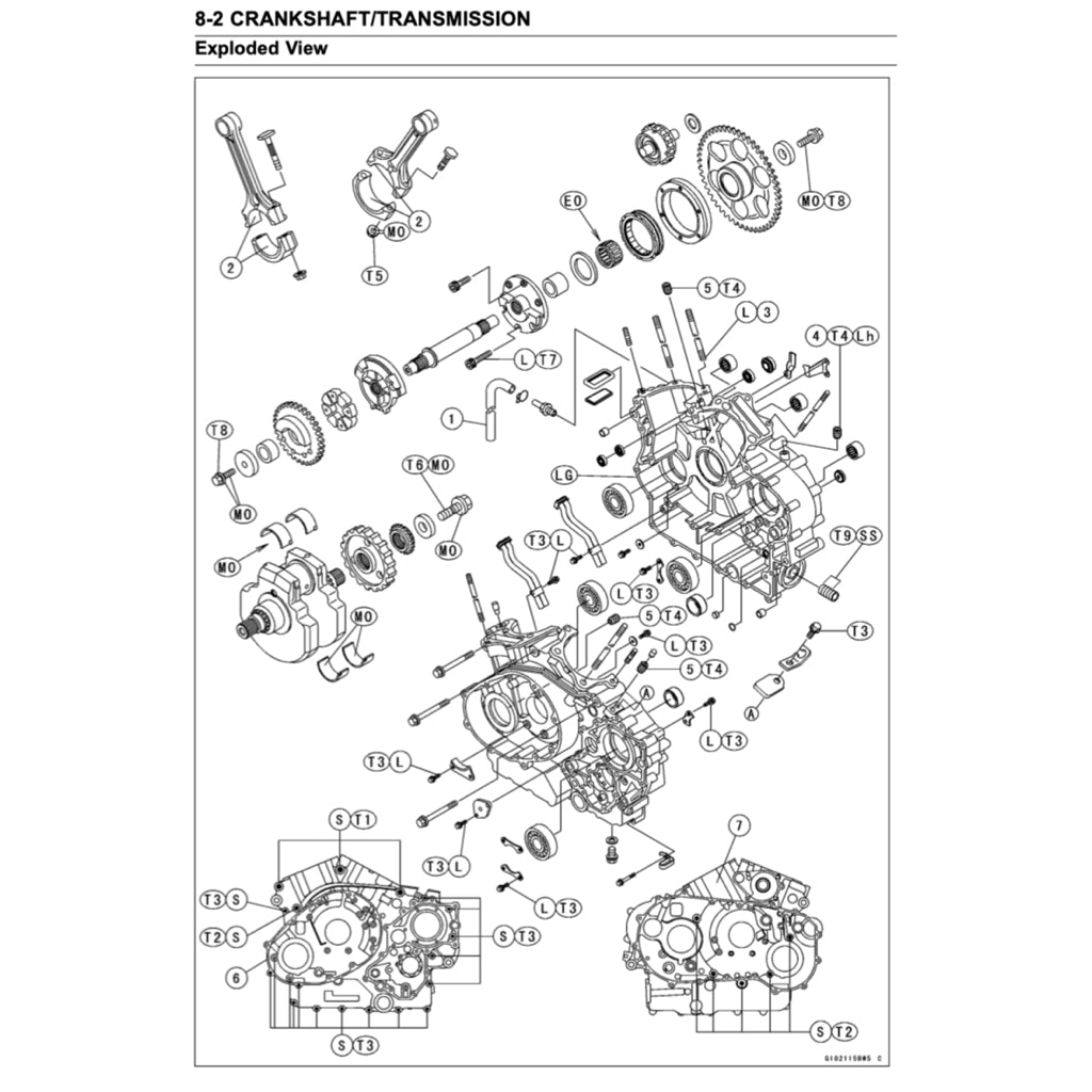
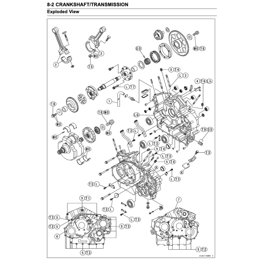
This is a comprehensive workshop manual for both technicians and DIY bike mechanic. This manual will help you restore, repair and maintain your KAWASAKI just like professional mechanic. Very easy step by step instructions with hundreds of diagrams and schematics. Covers all aspects of the bike from engine to suspension, wheels, fuel supply, electrical and trouble shooting tips. If you can fix a Matchbox, with this manual you can fix your Kawasaki A to Z.
MODELS INCLUDED IN THESE MANUALS:
- VN1500 88
- VN1500 CLASSIC TOURER
- VN1500 DRIFTER
- VN1500 NOMAD
- VN1500 CLASSIC FI
Share
